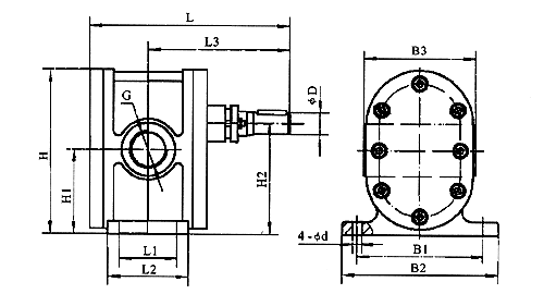
2CY 齒輪泵的安裝尺寸及外形結構圖
|
型號
| L | L1 | L2 | L3 | B1 | B2 | B3 | H | H1 | H2 | G | φD | 4-φd |
2CY-1.08/2.5 | 193.5 | 45 | 75 | 138.5 | 114 | 138 | 95 | 132 | 67.5 | 87 | G3/4 | 18 | 10 |
2CY-2.1/2.5 | 198.5 | 48 | 78 | 142.5 | 124 | 154 | 110 | 164.5 | 86 | 112 | G1 | 18 | 10 |
2CY-3/2.5 | 198.5 | 48 | 78 | 142.5 | 124 | 154 | 110 | 164.5 | 86 | 112 | G1 | 18 | 10 |
2CY-4.2/2.5 | 220 | 58 | 88 | 155 | 160 | 190 | 140 | 205 | 107.5 | 140 | G11/4" | 28 | 12 |
2CY-7.5/2.5 | 239 | 65 | 98 | 164.5 | 160 | 190 | 140 | 205 | 107.5 | 140 | G11/2" | 28 | 12 |
2CY-12/2.5 | 360 | 106 | 136 | 257 | 190 | 220 | 210 | 256 | 136 | 178 | G2 | 32 | 14 |
2CY-1.08~2CY-12/12.5外型、安裝尺寸重量

型號 | L | L1 | L2 | L3 | L4 | H | H1 | H2 | H3 | H4 | B | B1 | B2 | B3 | B4 | G | D | n×φ | 重量 |
2CY-1.08 | 582 | 486 | 339 | 47.5 | 55 | 290 | 190 | 145 | 125.5 | 58 | 293 | 257 | 190 | 180 | 95 | G3 | φ36 | 4× | 56 |
2CY-2.1 | 586 | 493 | 344 | 49 | 56 | 302 | 210 | 157 | 131 | 45 | 293 | 257 | 206 | 180 | 110 | G1 | φ50 | 4× | 63.5 |
2CY-3 | 605 | 499 | 349 | 49 | 56 | 310 | 210 | 157 | 131 | 45 | 333 | 297 | 206 | 190 | 110 | G1 | φ50 | 4× | 77.5 |
2CY- | 720 | 585 | 420 | 54 | 65 | 373 | 255 | 190 | 157.5 | 50 | 368 | 332 | 242 | 210 | 140 | G11 | φ70 | 4× | 121 |
2CY- | 780 | 637 | 448 | 60 | 75 | 378 | 260 | 195 | 162.5 | 55 | 368 | 332 | 242 | 210 | 140 | G11 | φ70 | 4× | 136 |
2CY- | 1020 | 862 | 616 | 78 | 103 | 468 | 321 | 243 | 201 | 65 | 416 | 380 | 272 | 255 | 210 | G2 | φ95 | 4× | 173 |